| Sign In | Join Free | My hardware-wholesale.com |
|
Brand Name : Casun
Model Number : 35SHD4103-10B
Certification : CE,ROSH,ISO
Place of Origin : CHINA
MOQ : 1PC
Price : $4.2-$5.2
Payment Terms : D/A, T/T, L/C, D/P
Supply Ability : 40000+PCS+Month
Delivery Time : 7-15 days
Packaging Details : Carton:36x29x14cm
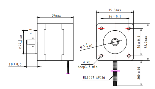
Step angel : 1.8°
Holding Torque : 155mN.m
Current : 1A
Motor Length : 34mm
Shaft : Round Shaft 10mm Length
Customized : The motor can be designed &manufactured with customized request.
Nema 14 Hybrid stepper motor 35x35mm 1A 3.8V 155mN.m for beauty equipment
20x20x33mm 0.6A Casun Stepper Motor Nema 8 Mini Stepper Motor For Medical beauty equipment
Motor Specifications
Step Angel | 1.8 ° |
Fram Size | 35 mm |
Number of Phase | 2 Phase |
Rated Current | 1 A |
Holding Torque | 155 mN.m |
Resistance | 3.8 ohm |
Inductance | 5.8mH |
Rotor Inertia | 14 g-cm² |
Motor weight | 0.18 kg |
Number of leads | 4 |
Connection | Bipolar |
Appearance


|
|
35x35mm 155mN.M Nema 14 Hybrid Stepper Motor For Beauty Equipment 1A 3.8V Images |